Печь камин Rais Q-tee 2

a081226ab5ed
Доставка
Варианты оплаты
Уже 15 лет для Вас

Очаг — Магазин каминов №1

Лучшие цены

Бесплатный профессиональный замер

Прозрачные сметы

Ясные сроки

Комфорт оплаты

Понимаем любой бюджет

Удобное вам время

Приоритет — безопасность

Примеры работ     #Степан_Знает

Описание
Характеристики

Общие

Производитель:
Страна-производитель:
Дания
Гарантия:
5 лет
Материал дверцы:
Сталь
Материал отделки:
Материал топки:

Производительность

Использование для отопления:
КПД:
81%
Мощность:
6 кВт
Объем отопления:
150 м³
Площадь отопления:
60 м²

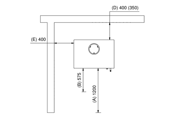
Размеры

Диаметр дымохода:
150 мм
Общая высота:
598 мм
Общая глубина:
410 мм
Общая ширина:
582 мм
Общий вес:
125 кг

Особенности

Водяной контур:
Нет
Вывод трубы:
Дожиг газов:
Духовка:
Плита для готовки:
Подача воздуха на стекло:
Да
Подвод внешнего воздуха:
За те же деньги