Печь Contura 556G:2 Style

003d93f367e1
Доставка
Варианты оплаты
Уже 15 лет для Вас

Очаг — Магазин каминов №1

Лучшие цены

Бесплатный профессиональный замер

Прозрачные сметы

Ясные сроки

Комфорт оплаты

Понимаем любой бюджет

Удобное вам время

Приоритет — безопасность

Примеры работ     #Степан_Знает

Описание
Характеристики

Общие

Производитель:
Страна-производитель:
Швеция
Цвет:
Чёрный
Гарантия:
5 лет
Материал дверцы:
Стекло
Материал отделки:
Материал топки:

Производительность

Использование для отопления:
КПД:
80%
Мощность:
7 кВт
Объем отопления:
175 м³
Площадь отопления:
70 м²

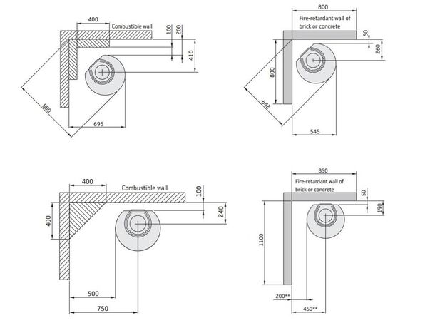
Размеры

Диаметр дымохода:
150 мм
Общая высота:
1066 мм
Общая глубина:
440 мм
Общая ширина:
495 мм
Общий вес:
104 кг

Особенности

Водяной контур:
Нет
Вывод трубы:
Дожиг газов:
Духовка:
Плита для готовки:
Подача воздуха на стекло:
Да
Подвод внешнего воздуха:
За те же деньги