Топка Spartherm Varia 1V100H

e607a4550fee
ПроизводительSpartherm Страна-производительГермания Мощность10,4 кВт
Доставка
Варианты оплаты
Уже 15 лет для Вас

Очаг — Магазин каминов №1

Лучшие цены

Бесплатный профессиональный замер

Прозрачные сметы

Ясные сроки

Комфорт оплаты

Понимаем любой бюджет

Удобное вам время

Приоритет — безопасность

Примеры работ     #Степан_Знает

Характеристики

Общие

Производитель:
Страна-производитель:
Германия
Боковое стекло:
Нет
Гарантия:
5 лет
Конструкция топки:
Материал корпуса:
Материал топки:
Мощность топки:
10,4 кВт
Остекление:
Стекло с подъемом вверх:
Да

Производительность

Использование для отопления:
КПД:
80%
Мощность:
10,4 кВт
Объем отопления:
275 м³
Площадь отопления:
110 м²

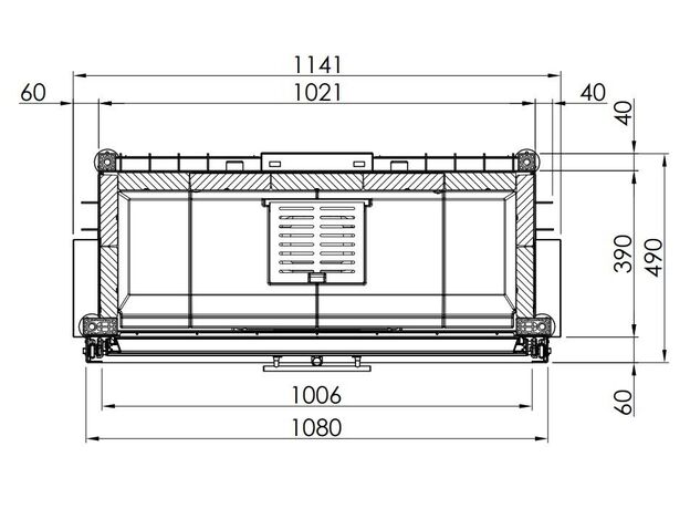
Размеры

Диаметр дымохода:
250 мм
Общая высота:
1565 мм
Общая глубина:
502 мм
Общая ширина:
1143 мм
Ширина рамки:
1006 мм
Общий вес:
394 кг

Особенности

Водяной контур:
Дожиг газов:
Зольный ящик:
Да
Подача воздуха на стекло:
Да
Подвод внешнего воздуха:
Подъем стекла вверх:
Шибер:
Нет
За те же деньги