Топка Schmid Ekko L55(34)51 s

422fafcf1ce5
ПроизводительSchmid Страна-производительГермания Мощность5 кВт
Доставка
Варианты оплаты
Уже 15 лет для Вас

Очаг — Магазин каминов №1

Лучшие цены

Бесплатный профессиональный замер

Прозрачные сметы

Ясные сроки

Комфорт оплаты

Понимаем любой бюджет

Удобное вам время

Приоритет — безопасность

Примеры работ     #Степан_Знает

Характеристики

Общие

Производитель:
Страна-производитель:
Германия
Гарантия:
5 лет
Конструкция топки:
Материал корпуса:
Материал топки:
Остекление:

Производительность

Использование для отопления:
КПД:
78%
Мощность:
5 кВт
Объем отопления:
125 м³
Площадь отопления:
50 м²

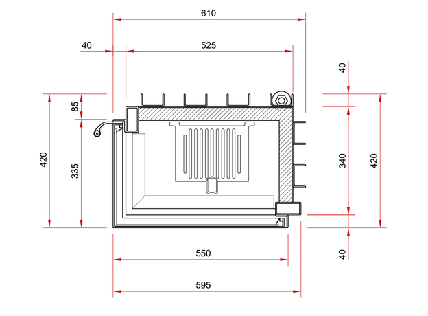
Размеры

Диаметр дымохода:
180 мм
Общая высота:
1340 мм
Общая глубина:
420 мм
Общая ширина:
610 мм
Высота рамки:
510 мм
Ширина рамки:
550 мм
Общий вес:
200 кг

Особенности

Водяной контур:
Дожиг газов:
Зольный ящик:
Да
Подача воздуха на стекло:
Да
Подвод внешнего воздуха:
Подъем стекла вверх:
Шибер:
Нет
За те же деньги