Топка EcoKamin Вега 800 PB

a8d9d7a85212
ПроизводительEcoKamin Страна-производительРоссия Мощность16 кВт
Доставка
Варианты оплаты
Уже 15 лет для Вас

Очаг — Магазин каминов №1

Лучшие цены

Бесплатный профессиональный замер

Прозрачные сметы

Ясные сроки

Комфорт оплаты

Понимаем любой бюджет

Удобное вам время

Приоритет — безопасность

Примеры работ     #Степан_Знает

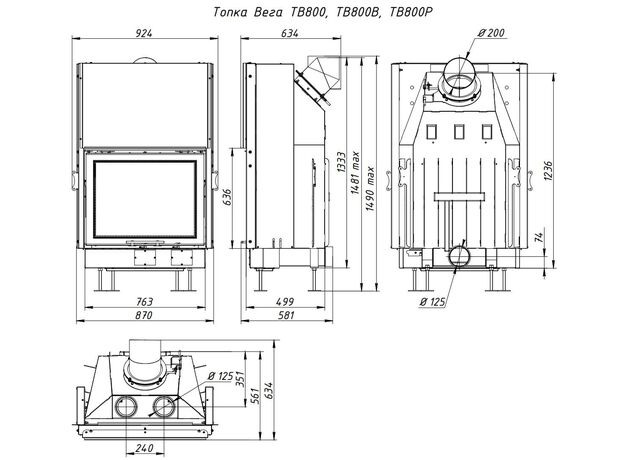
Характеристики

Общие

Производитель:
Страна-производитель:
Россия
Гарантия:
3 года
Конструкция топки:
Материал корпуса:
Материал топки:
Остекление:

Производительность

Использование для отопления:
КПД:
80%
Мощность:
16 кВт
Объем отопления:
400 м³
Площадь отопления:
160 м²

Размеры

Диаметр дымохода:
200 мм
Общая высота:
1335 мм
Общая глубина:
560 мм
Общая ширина:
910 мм
Высота рамки:
585 мм
Ширина рамки:
745 мм
Общий вес:
294 кг

Особенности

Водяной контур:
Дожиг газов:
Зольный ящик:
Нет
Подача воздуха на стекло:
Да
Подвод внешнего воздуха:
Подъем стекла вверх:
Шибер:
Нет
За те же деньги