Топка Defro Home Intra SM

8b63b0254299
ПроизводительDefro Home Страна-производительПольша Мощность10 кВт
Доставка
Варианты оплаты
Уже 15 лет для Вас

Очаг — Магазин каминов №1

Лучшие цены

Бесплатный профессиональный замер

Прозрачные сметы

Ясные сроки

Комфорт оплаты

Понимаем любой бюджет

Удобное вам время

Приоритет — безопасность

Примеры работ     #Степан_Знает

Характеристики

Общие

Производитель:
Страна-производитель:
Польша
Гарантия:
5 лет
Конструкция топки:
Материал корпуса:
Материал топки:
Остекление:

Производительность

Использование для отопления:
КПД:
80,1%
Мощность:
10 кВт
Объем отопления:
250 м³
Площадь отопления:
100 м²

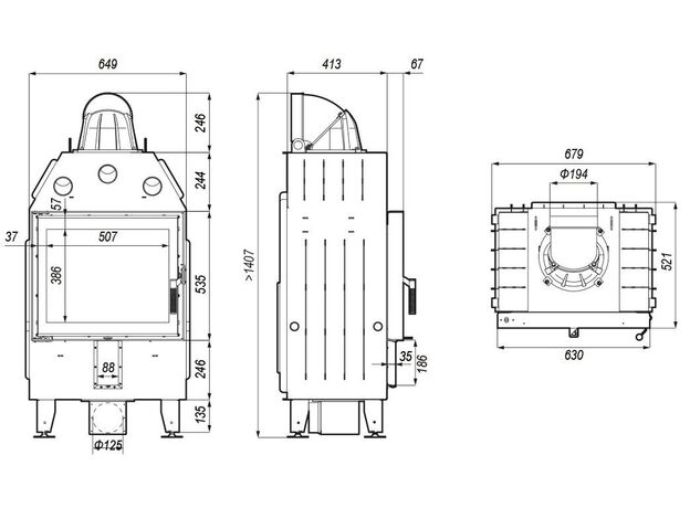
Размеры

Диаметр дымохода:
200 мм
Общая высота:
535 мм
Общая ширина:
630 мм
Общий вес:
200 кг

Особенности

Водяной контур:
Дожиг газов:
Зольный ящик:
Нет
Подача воздуха на стекло:
Да
Подвод внешнего воздуха:
Подъем стекла вверх:
Шибер:
Нет