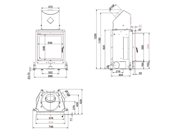
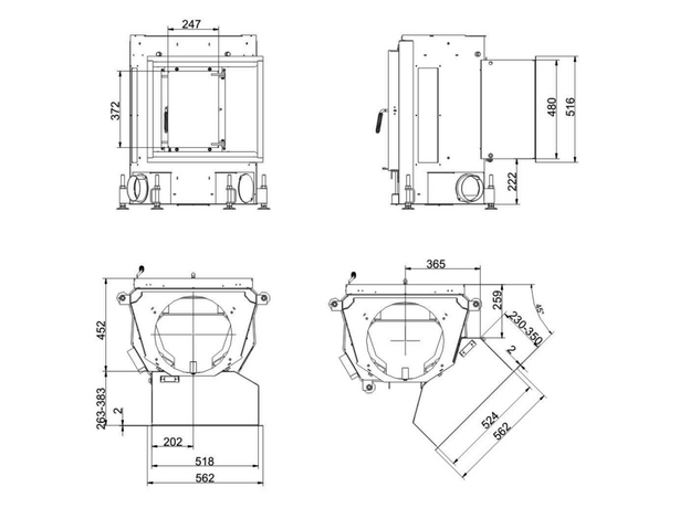
Топка Brunner Kompakt 57/55

18b0c5a1aa8e
В наличии
Свяжитесь с нами насчёт цены
 
ПроизводительBrunner Страна-производительГермания Мощность8 кВт
Доставка
Варианты оплаты
Уже 15 лет для Вас

Очаг — Магазин каминов №1

Лучшие цены

Бесплатный профессиональный замер

Прозрачные сметы

Ясные сроки

Комфорт оплаты

Понимаем любой бюджет

Удобное вам время

Приоритет — безопасность

Примеры работ     #Степан_Знает

Характеристики

Общие

Производитель:
Страна-производитель:
Германия
Гарантия:
5 лет
Конструкция топки:
Материал корпуса:
Материал топки:
Остекление:

Производительность

Использование для отопления:
КПД:
80%
Мощность:
8 кВт
Объем отопления:
200 м³
Площадь отопления:
80 м²

Размеры

Диаметр дымохода:
200 мм
Общая высота:
1250 мм
Общая глубина:
529 мм
Общая ширина:
746 мм
Высота рамки:
606 мм
Ширина рамки:
536 мм
Общий вес:
107 кг

Особенности

Водяной контур:
Дожиг газов:
Зольный ящик:
Нет
Подача воздуха на стекло:
Да
Подвод внешнего воздуха:
Подъем стекла вверх:
Шибер:
Нет
За те же деньги