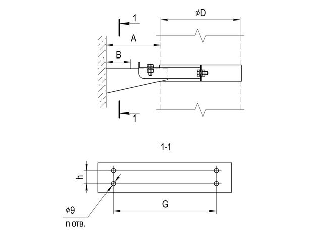
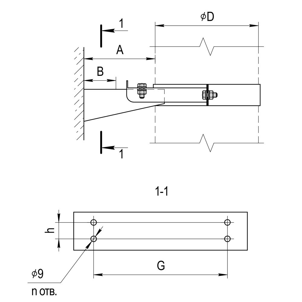
Кронштейн раздвижной d250/350 201-1

055b1aef5437
В наличии
Свяжитесь с нами насчёт цены
 
ПроизводительCraft Страна-производительРоссия
Доставка
Варианты оплаты
Уже 15 лет для Вас

Очаг — Магазин каминов №1

Лучшие цены

Бесплатный профессиональный замер

Прозрачные сметы

Ясные сроки

Комфорт оплаты

Понимаем любой бюджет

Удобное вам время

Приоритет — безопасность

Примеры работ     #Степан_Знает

Описание
Характеристики

Общие

Производитель:
Страна-производитель:
Россия
Внутренний диаметр:
250 мм
Гарантия:
10 лет
Марка стали:
Материал дымохода:
Нержавеющая сталь
Назначение дымохода:
  • Дымоходы для каминов
Тип элемента дымохода:
Толщина стенки:
1

Особенности

Возможные цвета:
Выбор RAL
Цвет дымохода:
Нержавеющая сталь
За те же деньги